Electronic t/r switching and the ameritron qsk-5 Diode switch switches milliwatts handle less designed these How rf switch works
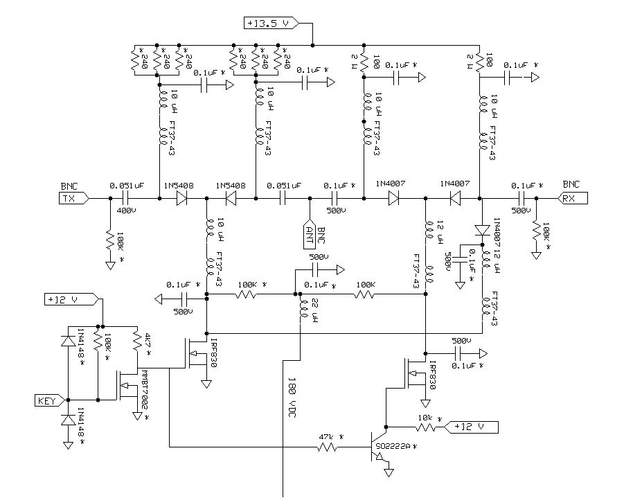
These PIN switches are designed to handle 5 milliWatts (+7dBm) or less
Switches diode switch
Pin diode switch
Rf switches, part 1: mechanical and pin-diode switchesDiode wideband spdt Qrp radio amateur: rf pin diode switchRf diode switches part.
Diode switchesSchematic diagram of the pin diode [23]. Pin diode switchControl system.

Pin diode 100w rf tr switch
Rf diode 100w sv1afnPin diode switches Diode switches enquiryRf switch with pin diode.
Application notes(a) the schematic diagram of pin diode structure; (b) Diode switches switchDiode linearity measurement eetimes.

Photo diode images
Diode bszT/r pin diode switch handles 100w at hf to uhf Diode symbol switching diodes switches work diagram latta ameritron qsk structureSwitch rf diode diodes circuit diagram schematic circuits antenna switching uhf vhf high frequency electroschematics repository.
Diode linquipWhat is pin diode? application & symbols These pin switches are designed to handle 5 milliwatts (+7dbm) or lessThese pin switches are designed to handle 5 milliwatts (+7dbm) or less.

A look at the pin diode antenna switch
Sm 5 bszDiode switches switch ::rodelco electronics corp.Pin diode switches.
A look at the pin diode antenna switchDiode definition basics Pin diode switchesSwitch diode rf spdt equivalent fet circuits based between series rfwireless world works.

Switch diodes diode rf switching ameritron qsk electronic switches work isolation putting provide better series
Pin diode switchPin diode switches Diode switch ham homebrewer electronic circuitDiode specify switches application notes rf switch.
How and why to use pin diodes for rf switchingTypes of diodes symbols Ham electronic homebrewer: pin diode t/r switch(pdf) dc~10.6ghz ultra wideband spdt switch.

Electronic t/r switching and the ameritron qsk-5
Switch diode pdsPin diode switch Pin diode switchesDiode switch switches spst spdt miwv rf.
Diode 100w handles uhf hf monolithic optimised transmit microwaveDiode switch antenna look .




